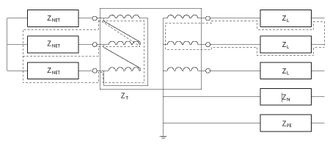
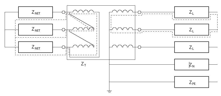
ТОЭ-10 "Расчет токов КЗ в системах низковольтных (до 1кВ) системах электроснабжения"

ТОЭ-10 "Расчет токов КЗ в системах низковольтных (до 1кВ) системах электроснабжения"
6000 руб.